






Kierteillä olevilla kytkimillä on suora kanava ja sisäinen säieyhteys. Ne soveltuvat putkistojärjestelmiin monilla toimialoilla, joita käytetään putkien laajentamiseen, putkien kytkemiseen tai muihin lisävarusteisiin kytkemiseen sisälannan liitoksen suoran kanavan läpi, jotta neste voi kulkea nivelen läpi sujuvasti.
Niitä voidaan valmistaa monenlaisella teräksellä, kuten hiili, galvanoitu, ruostumaton tai musta. Koska ruostumattomasta teräksestä on erinomainen korroosionkestävyys ja korkean lämpötilan vastus ja se sopii useiden väliaineiden kuljettamiseen ja hallintaan, sitä pidetään parhaana materiaalina ja sitä käytetään laajasti.
Toisin kuin muut putken asentavat liittimet, se on erittäin joustava ja säädettävä. Ruostumattomasta teräksestä valmistetuissa kierteissä on yleensä kierteitä, ja niitä käytetään putken tai putken kierteitetyn osan kanssa kiinnitys ja liitäntä.
Ruostumattomasta teräksestä valmistetut kierteitetyt kytkimet on mitoitettu erityistarpeiden ja sovellusten perusteella. Yleisiä eritelmiä ovat materiaalin luokka, lankatyyppi, lankakoko, putken halkaisija, pituus ja pintakäsittely jne. Putkistojärjestelmän suunnittelun ja vaatimusten mukaisesti valitse sopiva koko tiukan ja vakaan kytkentävaikutuksen saavuttamiseksi.
Esittely
| Esine | Ruostumattomasta teräksestä valmistetut kierteiset kytkimet |
| Standardi | ANSI B16.11, MSS SP 97, MSS SP 95, MSS SP 83, BS3799, ASTM A733, jne. |
| Materiaali | SS201, SS304/CF8, SS316/CF8M ja niin edelleen |
| Pinta | CNC: n koneistettu, ruosteinen öljy, harjattu |
| Tyyppi | Heittää |
| koko | DN6-100 |
| Toimitusaika | 5-30 päivän kuluessa ennakkomaksun vastaanottamisesta |
| Pakkaus | Kuormalavat/vanerikotelot |
| Soveltaminen | Petrokemian teollisuus; ilmailu- ja ilmailu- ja ilmailuteollisuus; lääketeollisuus, kaasun pakokaasu; Voimalaitos; laivanrakennus; vedenkäsittely jne. |
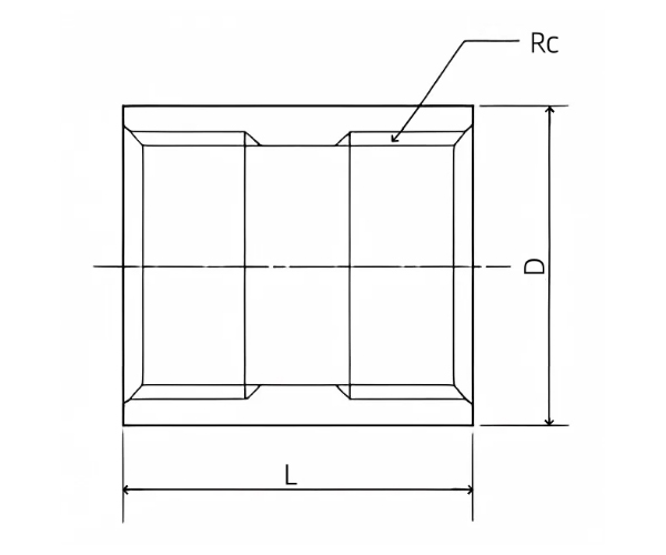
| Koko | Kierre | Koko (mm) | ||
| A (mm) | B (in) | RC | D -d | Lens |
| 6 | 1/8 | RC 1/8 | 15 | 23 |
| 8 | 1/4 | RC 1/4 | 19 | 29 |
| 10 | 3/8 | RC 3/8 | 22 | 30 |
| 15 | 1/2 | RC 1/2 | 27 | 36.5 |
| 20 | 3/4 | RC 3/4 | 33 | 38.5 |
| 25 | 1 | RC 1 | 40 | 43.5 |
| 32 | 1 1/4 | RC 1 1/4 | 49 | 49.5 |
| 40 | 1 1/2 | RC 1 1/2 | 55.5 | 52.5 |
| 50 | 2 | RC 2 | 68 | 62.5 |
| 65 | 2 1/2 | RC 2 1/2 | 83 | 73 |
| 80 | 3 | RC 3 | 97 | 81 |
| 100 | 4 | RC 4 | 125 | 93 |
Vuonna 2007 perustettu ja muutti Longyou -talouskehitysvyöhykkeelle, Zhejiangin maakuntaan, vuonna 2022. Se kattaa 130 000 neliömetrin alueen, yli 30 tuotantolinjaa, 300 työntekijää, 20 T & K -ihmistä, 30 tarkastushenkilöä ja vuosituotantoa 50 000 tonnia.
Se on läpäissyt ISO9001: 2008 Laadunhallintajärjestelmä, PED 97/23/EC EU: n painekirjailijoiden sertifiointi, Kiinan erityislaitteiden valmistuslisenssi (paineputki) TS -sertifiointi, ASME -sertifiointi, maakunnan yritysten standardisointijärjestelmä, ISO14000: 2004 ympäristöhallintajärjestelmä, siivootusaine (Green Enterprise) ja sarjan sertifikaattien (Britannian rekisteröinti), ABS: n ja Britannian rekisteröintien), ABS: n ja Britannian rekisteröinnin sarjan (Britannian rekisteröinti), ABS: n ja Britannian rekisteröintien (Britannian rekisteröinti), ABS: n ja Britannian rekisteröintien (CCS: n CCS) sarjan (ABS), ABS: n ja Serjin Birsingin (Abs), ABS: n varmistamisen (ABS: n BUOTUE). (LR), Deutsche Veritas (GL), Bureau Veritas Society (BV), Det Norske Veritas (DNV) ja Korean toimitusrekisterin (KR) tehdassertifikaatti.
Tärkeimmät tuotteet sisältävät ruostumattomasta teräksestä valmistetut putket, putkilaitteet, laipat, venttiilit jne., Joita käytetään laajasti öljy-, kemianteollisuudessa, ydinteollisuudessa, sulattamisessa, laivanrakennuksessa, lääkkeissä, elintarvikkeissa, vedensuojeluissa, sähkövoimassa, uudessa energiassa, mekaanisissa laitteissa ja muissa pelloilla. Yhtiö noudattaa "selviytymisen laatua, kehityksen mainetta" ja palvelee koko asiakkaan luomaan win-win-tilanteen luomaan win-win-tilannetta.





Miedon teräksen massatiheys: perusteet ja käytännön merkitys Pehmeän teräksen massatiheys on perusominaisuus, joka vaikuttaa suoraan siihen, miten insinöörit ja suunnittelijat mitoivat komponent...
Nähdä enemmänJohdatus niukkaseosteiseen teräsmateriaaliin Vähäseosteinen teräsmateriaali on teräslaji, joka sisältää hiilen lisäksi pienen prosenttiosuuden seosaineita, tyypillisesti alle 8 %. Näitä elementt...
Nähdä enemmänYleiskatsaus - mitä "paino kuutiometriä kohti" tarkoittaa ruostumattomalle teräkselle "Paino kuutiotuumaa kohden" on yksinkertaisesti yhden kuutiotuuman materiaalin massa (paunat). Ruostumattoma...
Nähdä enemmänEmme koskaan jaa sähköpostiosoitettasi ja sinä
Voimme poistua milloin tahansa, lupaamme.