





Ruostumattomasta teräksestä valmistettu liitos on eräänlainen siirtymäkappale nivel, jota käytetään yleisesti putken muuntamisessa, jota käytetään kahden putken tai putkijärjestelmän putkiliitännät kytkemiseen ja irrottamiseen. Kahdesta osasta koostettu tämä silmukkatyyppinen liitäntämenetelmä voidaan purkaa nopeasti ja helposti, mikä on hyödyllistä putkilinjan kunnossapitoon, korjaamiseen ja muihin toimintoihin.
Ruostumattomasta teräksestä rakennetaan taotetut ammattiliitot rakenteellisen eheyden varmistamiseksi korkeapainesovelluksissa ja luotettavuuden ja kestävyyden tarjoamiseksi, se sopii erilaisiin ympäristöihin ja työoloihin ja sopii putken yhteystarpeisiin.
Ruostumattomasta teräksestä valmistettuja ammattiliittoja käytetään laajasti matalapaineisissa putkilinjajärjestelmissä. Niitä käytetään usein kemikaalien, öljy-, elintarvikejalostuksen, lääkkeiden ja muiden toimialojen putkilinjajärjestelmissä. Niitä käytetään myös putkilinjojen, venttiilien, laitteiden tai muiden lisävarusteiden kytkemiseen, jotka sopivat korkean lämpötilan tai erityiseen keskipitkällä.
Esittely
| Esine | Ruostumattomasta teräksestä valmistettu liitto |
| Standardi | 3a, din, tekstiviesti, IDF, BPE, BS, ISO |
| Materiaali | Ruostumaton teräs |
| Pinta | CNC -koneistettu |
| Tyyppi | Sijoitusvaltuutetun vahan kadonnut tekniikka |
| koko | 1/8 "-3" |
| Toimitusaika | 5-30 päivän kuluessa ennakkomaksun vastaanottamisesta |
| Pakkaus | Kutistuvan kääre- ja kartonilaatuinen kotelo |
| Soveltaminen | Ruoka, juoma, kemikaali, apteekki, bioteknologia, kosmeettinen ja muut teollisuudenalat ruostumattomasta teräksestä valmistetulla putkistolla |
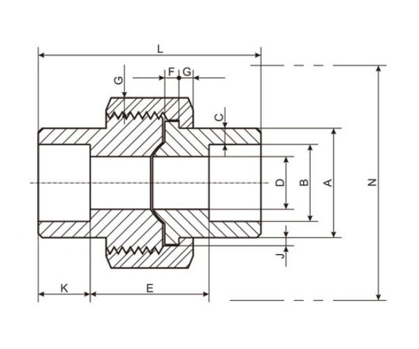
Millimetrien mitat
| NPS | Kok -k -o | Eräs | B - | C | D (Max) | D (min) | k | E | F | G | J (min) | Lens | N |
| 1/8 " | 6 | 14.7 | 9.88 | 2.41 | 8.43 | 6.34 | 9.5 | 22.4 | 3.18 | 3.18 | 1.24 | 41.4 | 50.8 |
| 1/4 " | 8 | 19 | 12.96 | 3.02 | 11.13 | 9.45 | 9.5 | 22.4 | 3.18 | 3.18 | 1.24 | 41.4 | 50.8 |
| 3/8 " | 10 | 22.9 | 16.5 | 3.2 | 14.27 | 13.51 | 9.5 | 27 | 3.43 | 3.43 | 1.37 | 46 | 55.9 |
| 1/2 " | 15 | 27.7 | 20.24 | 3.73 | 17.86 | 17.07 | 9.5 | 30 | 3.68 | 3.68 | 1.5 | 49 | 58.4 |
| 3/4 " | 20 | 33.5 | 25.68 | 3.91 | 23.01 | 21.39 | 12.5 | 31.9 | 4.06 | 4.06 | 1.68 | 56.9 | 66 |
| 1 " | 25 | 41.4 | 32.3 | 4.55 | 28.98 | 27.74 | 12.5 | 37 | 4.57 | 4.45 | 1.85 | 62 | 78.7 |
| 1 1/4 " | 32 | 50.5 | 40.8 | 4.85 | 37.69 | 35.36 | 12.5 | 46.1 | 5.33 | 5.21 | 2.13 | 71.1 | 94 |
| 1 1/2 " | 40 | 57.2 | 47.04 | 5.08 | 43.54 | 41.2 | 12.5 | 51.5 | 5.84 | 5.59 | 2.31 | 76.5 | 111.8 |
| 2 " | 50 | 70.1 | 59.02 | 5.54 | 55.58 | 52.12 | 16 | 54.1 | 6.60 | 6.35 | 2.69 | 86.1 | 132.1 |
| 2 1/2 " | 65 | 85.3 | 71.28 | 7.01 | 66.27 | 64.31 | 16 | 70.4 | 7.49 | 7.11 | 3.07 | 102.4 | 149.9 |
| 3 " | 80 | 102.4 | 887.16 | 7.62 | 88.25 | 77.27 | 16 | 77 | 8.26 | 8.00 | 3.53 | 109 | 175.3 |
Vuonna 2007 perustettu ja muutti Longyou -talouskehitysvyöhykkeelle, Zhejiangin maakuntaan, vuonna 2022. Se kattaa 130 000 neliömetrin alueen, yli 30 tuotantolinjaa, 300 työntekijää, 20 T & K -ihmistä, 30 tarkastushenkilöä ja vuosituotantoa 50 000 tonnia.
Se on läpäissyt ISO9001: 2008 Laadunhallintajärjestelmä, PED 97/23/EC EU: n painekirjailijoiden sertifiointi, Kiinan erityislaitteiden valmistuslisenssi (paineputki) TS -sertifiointi, ASME -sertifiointi, maakunnan yritysten standardisointijärjestelmä, ISO14000: 2004 ympäristöhallintajärjestelmä, siivootusaine (Green Enterprise) ja sarjan sertifikaattien (Britannian rekisteröinti), ABS: n ja Britannian rekisteröintien), ABS: n ja Britannian rekisteröinnin sarjan (Britannian rekisteröinti), ABS: n ja Britannian rekisteröintien (Britannian rekisteröinti), ABS: n ja Britannian rekisteröintien (CCS: n CCS) sarjan (ABS), ABS: n ja Serjin Birsingin (Abs), ABS: n varmistamisen (ABS: n BUOTUE). (LR), Deutsche Veritas (GL), Bureau Veritas Society (BV), Det Norske Veritas (DNV) ja Korean toimitusrekisterin (KR) tehdassertifikaatti.
Tärkeimmät tuotteet sisältävät ruostumattomasta teräksestä valmistetut putket, putkilaitteet, laipat, venttiilit jne., Joita käytetään laajasti öljy-, kemianteollisuudessa, ydinteollisuudessa, sulattamisessa, laivanrakennuksessa, lääkkeissä, elintarvikkeissa, vedensuojeluissa, sähkövoimassa, uudessa energiassa, mekaanisissa laitteissa ja muissa pelloilla. Yhtiö noudattaa "selviytymisen laatua, kehityksen mainetta" ja palvelee koko asiakkaan luomaan win-win-tilanteen luomaan win-win-tilannetta.





Miedon teräksen massatiheys: perusteet ja käytännön merkitys Pehmeän teräksen massatiheys on perusominaisuus, joka vaikuttaa suoraan siihen, miten insinöörit ja suunnittelijat mitoivat komponent...
Nähdä enemmänJohdatus niukkaseosteiseen teräsmateriaaliin Vähäseosteinen teräsmateriaali on teräslaji, joka sisältää hiilen lisäksi pienen prosenttiosuuden seosaineita, tyypillisesti alle 8 %. Näitä elementt...
Nähdä enemmänYleiskatsaus - mitä "paino kuutiometriä kohti" tarkoittaa ruostumattomalle teräkselle "Paino kuutiotuumaa kohden" on yksinkertaisesti yhden kuutiotuuman materiaalin massa (paunat). Ruostumattoma...
Nähdä enemmänEmme koskaan jaa sähköpostiosoitettasi ja sinä
Voimme poistua milloin tahansa, lupaamme.