





Ruostumattomasta teräksestä valmistettu suora kytkentä on koneistettu pyöreän teräs- tai teräshakojen takomisen jälkeen. Sen liitäntälomake on pistorasiahitsaus (pistorasian hitsaus-SW). Teräsputki asetetaan pistorasiaan hitsausta varten. Siksi sitä kutsutaan "ruostumattomasta teräksestä suoraan kytkentäksi".
Ruostumattomasta teräksestä valmistettu suora kytkentä tarkoittaa olennaisesti sitä, että kun haaraputki on kytketty pääputkeen, se suurennetaan puoliputken liitoksen läpi hitsauksen helpottamiseksi ja sitten toinen pää on kytketty haaraputkeen.
Suoraa kytkemistä käytetään laajasti eri halkaisijoiden putkissa, mukaan lukien tee, risti jne., Ja sitä voidaan käyttää myös vesimittarissa ja venttiileissä. Pistorasiarakenteen takia putken liitos vähentää kustannuksia ja on erittäin kätevä asentaa, käyttää ja ylläpitää. Sillä on paljon etuja, kuten sileä pinta, ei ole helppo syöpyä, nolla ylläpito ja pitkä käyttöikä. Sillä on myös erittäin korkea vuotojen ehkäisyominaisuudet ja sillä on hyvät markkinat.
Sovellus: Tämä sovitus on ihanteellinen yhdistämään kahta puhaltamatonta putkea, joissa vaaditaan korkea vetolujuus ja iskunvahvuus. Käytetään laajasti rakennusrakennuksessa, kylpyhuoneissa, keittiöissä, pesualkoissa, laboratorioissa jne.
Esittely
| Esine | Ruostumattomasta teräksestä valmistettu suora kytkentä |
| Standardi | ANSI B16.11, MSS SP 97, MSS SP 95, MSS SP 83, BS3799, ASTM A733, jne. |
| Materiaali | Ruostumaton teräs |
| Pinta | CNC-koneistettu, ruusukkaan öljy, HDG (Hot Dip Gal.) |
| Tyyppi | Valu |
| koko | DN6-100 |
| Toimitusaika | 5-30 päivän kuluessa ennakkomaksun vastaanottamisesta |
| Pakkaus | Kartoni tai puinen kotelo. Voidaan myös räätälöidä asiakkaan vaatimusten mukaisesti |
| Soveltaminen | Petrokemian teollisuus; ilmailu- ja ilmailu- ja ilmailuteollisuus; lääketeollisuus, kaasun pakokaasu; Voimalaitos; laivanrakennus; vedenkäsittely jne. |
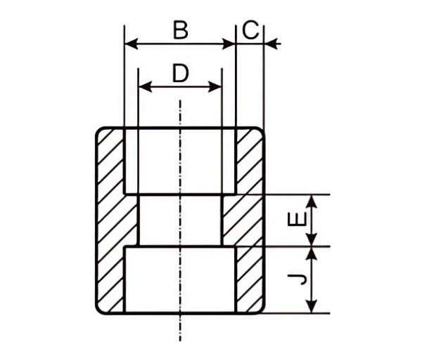
Millimetrien mitat
| Nimellishalkaisija | B - | D -d | C | J - | E | ||||||||
| DN | NPS | 3000 kiloa | 6000 kiloa | 9000 kiloa | 3000 kiloa | 6000 kiloa | 9000 kiloa | ||||||
| ave | miniii | ave | min | ave | min | ||||||||
| 6 | 1/8 " | 10.9 | 6.1 | 3.2 | - | 3.18 | 3.18 | 3.96 | 3.43 | - | - | 9.5 | 6.5 |
| 8 | 1/4 " | 14.3 | 8.5 | 5.6 | - | 3.78 | 3.30 | 4.60 | 4.01 | - | - | 9.5 | 6.5 |
| 10 | 3/8 " | 17.7 | 11.8 | 8.4 | - | 4.01 | 3.50 | 5.03 | 4.37 | - | - | 9.5 | 6.5 |
| 15 | 1/2 " | 21.9 | 15.0 | 11.0 | 5.6 | 4.67 | 4.09 | 5.97 | 5.18 | 9.53 | 8.18 | 9.5 | 9.5 |
| 20 | 3/4 " | 27.3 | 20.2 | 14.8 | 10.3 | 4.90 | 4.27 | 6.96 | 6.04 | 9.78 | 8.56 | 12.5 | 9.5 |
| 25 | 1 " | 34.0 | 25.9 | 19.9 | 14.4 | 5.69 | 4.98 | 7.92 | 6.93 | 11.38 | 9.96 | 12.5 | 12.5 |
| 32 | 1 1/4 " | 42.8 | 34.4 | 28.7 | 22.0 | 6.07 | 5.28 | 7.92 | 6.93 | 12.14 | 10.52 | 12.5 | 12.5 |
| 40 | 1 1/2 " | 48.9 | 40.1 | 33.2 | 27.2 | 6.35 | 5.54 | 8.92 | 7.80 | 12.70 | 11.12 | 12.5 | 12.5 |
| 50 | 2 " | 61.2 | 51.7 | 42.1 | 37.4 | 6.93 | 6.04 | 10.92 | 9.50 | 13.84 | 12.12 | 16.0 | 19.0 |
| 65 | 2 1/2 " | 73.9 | 61.2 | - | - | 8.76 | 7.62 | - | - | - | - | 16.0 | 19.0 |
| 80 | 3 " | 89.9 | 76.4 | - | - | 9.52 | 8.30 | - | - | - | - | 16.0 | 19.0 |
| 100 | 4 " | 115.5 | 100.7 | - | - | 10.69 | 9.35 | - | - | - | - | 19.0 | 19.0 |
Vuonna 2007 perustettu ja muutti Longyou -talouskehitysvyöhykkeelle, Zhejiangin maakuntaan, vuonna 2022. Se kattaa 130 000 neliömetrin alueen, yli 30 tuotantolinjaa, 300 työntekijää, 20 T & K -ihmistä, 30 tarkastushenkilöä ja vuosituotantoa 50 000 tonnia.
Se on läpäissyt ISO9001: 2008 Laadunhallintajärjestelmä, PED 97/23/EC EU: n painekirjailijoiden sertifiointi, Kiinan erityislaitteiden valmistuslisenssi (paineputki) TS -sertifiointi, ASME -sertifiointi, maakunnan yritysten standardisointijärjestelmä, ISO14000: 2004 ympäristöhallintajärjestelmä, siivootusaine (Green Enterprise) ja sarjan sertifikaattien (Britannian rekisteröinti), ABS: n ja Britannian rekisteröintien), ABS: n ja Britannian rekisteröinnin sarjan (Britannian rekisteröinti), ABS: n ja Britannian rekisteröintien (Britannian rekisteröinti), ABS: n ja Britannian rekisteröintien (CCS: n CCS) sarjan (ABS), ABS: n ja Serjin Birsingin (Abs), ABS: n varmistamisen (ABS: n BUOTUE). (LR), Deutsche Veritas (GL), Bureau Veritas Society (BV), Det Norske Veritas (DNV) ja Korean toimitusrekisterin (KR) tehdassertifikaatti.
Tärkeimmät tuotteet sisältävät ruostumattomasta teräksestä valmistetut putket, putkilaitteet, laipat, venttiilit jne., Joita käytetään laajasti öljy-, kemianteollisuudessa, ydinteollisuudessa, sulattamisessa, laivanrakennuksessa, lääkkeissä, elintarvikkeissa, vedensuojeluissa, sähkövoimassa, uudessa energiassa, mekaanisissa laitteissa ja muissa pelloilla. Yhtiö noudattaa "selviytymisen laatua, kehityksen mainetta" ja palvelee koko asiakkaan luomaan win-win-tilanteen luomaan win-win-tilannetta.





Kaasuinfrastruktuuri vaatii materiaaleja, jotka toimivat ilman kompromisseja – ei vuotoja, ei korroosiovaurioita, ei paine-yllätyksiä. Ruostumaton teräsputki on ansainnut paikkansa yhtenä luotet...
Nähdä enemmänOlemme innoissamme voidessamme ilmoittaa osallistumisemme voitokkaasta päätöksestä Putki 2026 , maailman johtava putki- ja putkiteknologian messu, joka järjestetään 13.-17.4.2026 Messe Düsse...
Nähdä enemmänKierukkaputkitekniikasta on tullut yksi nykyaikaisen öljy- ja kaasuteollisuuden tärkeimmistä työkaluista. Olipa kyseessä kaivon interventio, stimulointi tai poraus, kelaputkia valmistavat yrityk...
Nähdä enemmänEmme koskaan jaa sähköpostiosoitettasi ja sinä
Voimme poistua milloin tahansa, lupaamme.