





Ruostumattomasta teräksestä valmistetut holkit tarjoavat keinon yhdistää pienempi putkikoko suurempaan putken sovitusporttiin. Tämä tekee putkien tai letkujen yhteyden sovelluksiin.
Niiden ulkopuolella on uroslankoja ja sisäpuolella naaraslankoja. Ruostumattomasta teräksestä vähentävän holkit ovat korkealaatuisia ja korroosionkestäviä mitä tahansa ankaraa ympäristösovellusta varten. Kirkas kiillotusvaikutus ei vain lisää korroosionkestävyyttä ja lisää esteettistä ulkonäköä. Ja kuusikulmainen pää lisää vipuvaikutusta ja käyttöä jakoavaimen kanssa. Voidaan asentaa tavallisilla käsityökaluilla ja vaatii vähän huoltoa tai korjausta.
Putkiyhteydessä holkin vähentäminen on korvaamaton rooli. Heillä on hyvä ulkonäkö ja helppo asennus, kestävä ja edullinen. Ja käytetty laajasti vedessä, öljyssä, kaasussa, kemianteollisuudessa, paperinvalmistuksessa, lääketieteessä ja muissa toimialoissa.
Esittely
| Standardi | ASME/ANSI B16.9, MSS SP-43, DIN 2605, JIS B2313 |
| Materiaali | Ruostumaton teräs: ASTM A182 F304/ F304/ F316/ F316L/ F317/ 317L/ F321/ F310/ 347/904 Hiiliteräs: ASTM A105/A694 F42/46/52/56/60/65/70/A350 LF3/A350 LF2 |
| Pinta | Sinkki -elektrolaatti |
| Tyyppi | kylmä järkyttävä tyhjä, CNC: n viimeistelyprosessi |
| koko | 1/8 "-1½" |
| Toimitusaika | 5-30 päivän kuluessa ennakkomaksun vastaanottamisesta |
| Pakkaus | Polybag -laatikkolava |
| Soveltaminen | Voimalaitos, kaasu, jätevedenkäsittely, julkiset työt, kemikaali, paperinvalmistus, lääkkeet jne. |
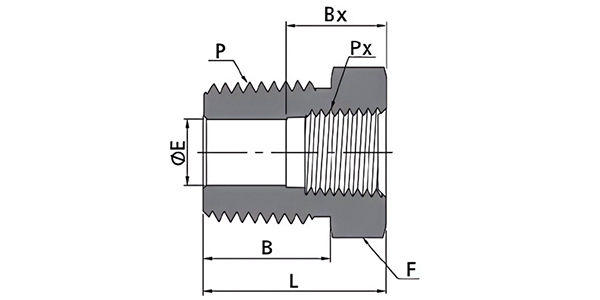
| Mies NPT naarasluutoslankoihin | ||||||
| P - NPT Koko | PX- NPT Koko | Ulottuvuus (mm) | ||||
|
|
| Lens | F (heksa) | B - | Bx | E |
| 1/8 | 1/16 | 1.03 (26,2) | 0,44 (11,1) | 0,38 (9,7) | 0,39 (9,9) | 0,19 (4,8) |
| 1/4 | 1/16 | 0,86 (21,8) | 0,56 (14,3) | 0,56 (14,2) | 0,39 (9,9) | 0,19 (4,8) |
| 1/4 | 1/8 | 1.06 (26,9) | 0,56 (14,3) | 0,56 (14,2) | 0,41 (10,4) | 0,28 (7,1) |
| 3/8 | 1/16 | 0,86 (21,8) | 0,69 (17,5) | 0,56 (14,2) | 0,39 (9,9) | 0,19 (4,8) |
| 3/8 | 1/8 | 0,86 (21,8) | 0,69 (17,5) | 0,56 (14,2) | 0,41 (10,4) | 0,34 (8,6) |
| 3/8 | 1/4 | 1,19 (30,2) | 0,75 (19,1) | 0,56 (14,2) | 0,59 (15,0) | 0,38 (9,6) |
| 1/2 | 1/8 | 1,08 (27,4) | 0,87 (22,2) | 0,75 (19,1) | 0,41 (10,4) | 0,34 (8,6) |
| 1/2 | 1/4 | 1,08 (27,4) | 0,87 (22,2) | 0,75 (19,1) | 0,59 (15,0) | 0,45 (11,4) |
| 1/2 | 3/8 | 1,41 (35,8) | 0,87 (22,2) | 0,75 (19,1) | 0,59 (15,0) | 0,47 (11,9) |
| 3/4 | 1/8 | 1,08 (27,4) | 1,06 (27,0) | 0,75 (19,1) | 0,41 (10,4) | 0,28 (7,1) |
| 3/4 | 1/4 | 1,08 (27,4) | 1,06 (27,0) | 0,75 (19,1) | 0,59 (15,0) | 0,45 (11,4) |
| 3/4 | 3/8 | 1,08 (27,4) | 1,06 (27,0) | 0,75 (19,1) | 0,59 (15,0) | 0,59 (15,0) |
| 3/4 | 1/2 | 1,63 (41,4) | 1,06 (27,0) | 0,75 (19,1) | 0,78 (19,8) | 0,62 (15,7) |
| 1 | 1/8 | 1,36 (34,5) | 1,37 (34,9) | 0,94 (23,9) | 0,41 (10,4) | 0,28 (7,1) |
| 1 | 1/4 | 1,37 (34,9) | 1,37 (34,9) | 0,94 (23,9) | 0,59 (15,0) | 0,45 (11,4) |
| 1 | 3/8 | 1,37 (34,9) | 1,37 (34,9) | 0,94 (23,9) | 0,59 (15,0) | 0,59 (15,0) |
| 1 | 1/2 | 1,37 (34,9) | 1,37 (34,9) | 0,94 (23,9) | 0,78 (19,8) | 0,73 (18,5) |
| 1 | 3/4 | 1,85 (47,0) | 1,37 (34,9) | 0,94 (23,9) | 0,81 (20,6) | 0,88 (22,4) |
| 1 1/4 | 3/4 | 1,47 (37,3) | 1,75 (44,5) | 0,94 (23,9) | 0,81 (20,6) | 0,88 (22,4) |
| 1 1/4 | 1 | 1,47 (37,3) | 1,75 (44,5) | 0,94 (23,9) | 1.00 (25,4) | 0,88 (22,4) |
| 1 1/2 | 1 | 1,58 (40,1) | 2,00 (50,8) | 1.03 (26,2) | 1.00 (25,4) | 0,88 (22,4) |
| 1 1/2 | 1 1/4 | 2.20 (56,0) | 2,13 (54,0) | 1.03 (26,2) | 1.00 (25,4) | 1.34 (34,0) |
Vuonna 2007 perustettu ja muutti Longyou -talouskehitysvyöhykkeelle, Zhejiangin maakuntaan, vuonna 2022. Se kattaa 130 000 neliömetrin alueen, yli 30 tuotantolinjaa, 300 työntekijää, 20 T & K -ihmistä, 30 tarkastushenkilöä ja vuosituotantoa 50 000 tonnia.
Se on läpäissyt ISO9001: 2008 Laadunhallintajärjestelmä, PED 97/23/EC EU: n painekirjailijoiden sertifiointi, Kiinan erityislaitteiden valmistuslisenssi (paineputki) TS -sertifiointi, ASME -sertifiointi, maakunnan yritysten standardisointijärjestelmä, ISO14000: 2004 ympäristöhallintajärjestelmä, siivootusaine (Green Enterprise) ja sarjan sertifikaattien (Britannian rekisteröinti), ABS: n ja Britannian rekisteröintien), ABS: n ja Britannian rekisteröinnin sarjan (Britannian rekisteröinti), ABS: n ja Britannian rekisteröintien (Britannian rekisteröinti), ABS: n ja Britannian rekisteröintien (CCS: n CCS) sarjan (ABS), ABS: n ja Serjin Birsingin (Abs), ABS: n varmistamisen (ABS: n BUOTUE). (LR), Deutsche Veritas (GL), Bureau Veritas Society (BV), Det Norske Veritas (DNV) ja Korean toimitusrekisterin (KR) tehdassertifikaatti.
Tärkeimmät tuotteet sisältävät ruostumattomasta teräksestä valmistetut putket, putkilaitteet, laipat, venttiilit jne., Joita käytetään laajasti öljy-, kemianteollisuudessa, ydinteollisuudessa, sulattamisessa, laivanrakennuksessa, lääkkeissä, elintarvikkeissa, vedensuojeluissa, sähkövoimassa, uudessa energiassa, mekaanisissa laitteissa ja muissa pelloilla. Yhtiö noudattaa "selviytymisen laatua, kehityksen mainetta" ja palvelee koko asiakkaan luomaan win-win-tilanteen luomaan win-win-tilannetta.





Miedon teräksen massatiheys: perusteet ja käytännön merkitys Pehmeän teräksen massatiheys on perusominaisuus, joka vaikuttaa suoraan siihen, miten insinöörit ja suunnittelijat mitoivat komponent...
Nähdä enemmänJohdatus niukkaseosteiseen teräsmateriaaliin Vähäseosteinen teräsmateriaali on teräslaji, joka sisältää hiilen lisäksi pienen prosenttiosuuden seosaineita, tyypillisesti alle 8 %. Näitä elementt...
Nähdä enemmänYleiskatsaus - mitä "paino kuutiometriä kohti" tarkoittaa ruostumattomalle teräkselle "Paino kuutiotuumaa kohden" on yksinkertaisesti yhden kuutiotuuman materiaalin massa (paunat). Ruostumattoma...
Nähdä enemmänEmme koskaan jaa sähköpostiosoitettasi ja sinä
Voimme poistua milloin tahansa, lupaamme.