





Risti on eräänlainen putken sovitus, jossa on neljä aukkoa yhdellä yhteydellä. Asennus näyttää ristiltä ja yhdistää neljä erilaista putkea yhdeksi pisteeksi. Siinä on yleensä liuotinhitsatut pistorasiat tai naiskierretyt päät.
Yhtä suuri ristinsovitus on risti, jossa kaikki neljä aukkoa, joilla on sama halkaisija ja kytketty myös neljään saman halkaisijan putkeen.
Ristiputkien liitososat käytetään putkien kytkemiseen ja putkistojärjestelmän läpi kulkeutumiseen tai ohjaamiseen. Sen mitat ovat tärkeä rooli vahvuuden ja vakauden päättämisessä. Kun saman kokoiset putket on kytketty ja nesteet virtaavat yhteen suuntaan, se jaetaan kolmeen suuntaan. Ristiputken asennus kohdistuu suuriin painonongelmiin, kun neste virtaa kolmeen suuntaan ja sen odotetaan liikkuvan yhteen suuntaan.
Ristiputken varusteet voivat korostaa putkia lämpötilan muuttuessa niiden nelisuuntaisen luonteen vuoksi. Siksi ristiputkia ei yleensä käytetä putkilinjan hydraulisina komponenteina. Sitä vastoin, jos lämmön laajeneminen ei ole ongelma, ristitarkastukset ovat edullisempia.
Esittely
| Tasa -arvoinen risti | |
| Esine | Ruostumattomasta teräksestä valmistettu risti |
| Standardi | ASME: ANSI B16.9, ANSI B16.28, MSS-SP-43 EN: EN10253-1, EN10253-2 DIN: DIN2605, DIN2615, DIN2616, DIN2617, DIN28011 ASME B16.25- Butt-hitsauspäät ASME B16.28- TAKAISET TERÄSEN Lyhyt säde kyynärpäät ja takaosan hitsauspalautus MSS SP-43-fabricatd & Worted Butt-Winding -varusteet korroosiokestävälle, matalapaineiselle sovellukselle ASTM A403-AMME SA403-spesifiointi taistetuille austenitic-ruostumattomasta teräksestä valmistetut putkistot ASME B16.9-WROUD-varusteet Butt-hitsaus |
| Materiaali | Ruostumaton teräs, seosteräs, duplex, nikkeli-seokset, matalan lämpötilan teräs, hiiliteräs jne. |
| Pinta | Hehkutettu ja suolakurkku, kuuma dip galvanisointi, sähkökielto, läpinäkyvä öljy, sinkkilevyt, musta maali, laka |
| Tyyppi | Työnnä, paina, takaa, näyttelijä jne. |
| koko | ½ "-48" |
| Toimitusaika | 5-30 päivän kuluessa ennakkomaksun vastaanottamisesta |
| Pakkaus | Kutistunut käärittypakka |
| Soveltaminen | Varusteet putken ja putkien kytkemiseen öljy-, tehon, kemikaalien, rakenteen, kaasun, metallurgian, laivanrakennuksen jne. |
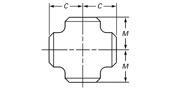
| Nimellisputken koko | Nimellisputken koko | Keskusta loppuun (sisään.) | |
| NPS | (in.) | Juoksu, c | Pistorasia, m |
| ½ | 0.84 | 1.00 | 1.00 |
| ¾ | 1.05 | 1.12 | 1.12 |
| 1 | 1.32 | 1.50 | 1.50 |
| 1¼ | 1.66 | 1.88 | 1.88 |
| 1 ½ | 1.90 | 2.25 | 2.25 |
| 2 | 2.38 | 2.50 | 2.50 |
| 2½ | 2.88 | 3.00 | 3.00 |
| 3 | 3.50 | 3.38 | 3.38 |
| 3½ | 4.00 | 3.75 | 3.75 |
| 4 | 4.50 | 4.12 | 4.12 |
| 5 | 5.56 | 4.88 | 4.88 |
| 6 | 6.62 | 5.62 | 5.62 |
| 8 | 8.62 | 7.00 | 7.00 |
| 10 | 10.75 | 8.50 | 8.50 |
| 12 | 12.75 | 10.00 | 10.00 |
| 14 | 14.00 | 11.00 | 11.00 |
| 16 | 16.00 | 12.00 | 12.00 |
| 18 | 18.00 | 13.50 | 13.50 |
| 20 | 20.00 | 15.00 | 15.00 |
| 22 | 22.00 | 16.50 | 16.50 |
| 24 | 24.00 | 17.00 | 17.00 |
| 26 | 26.00 | 19.50 | 19.50 |
| 28 | 28.00 | 20.50 | 20.50 |
| 30 | 30.00 | 22.00 | 22.00 |
| 32 | 32.00 | 23.50 | 23.50 |
| 34 | 34.00 | 25.00 | 25.00 |
| 36 | 36.00 | 26.50 | 26.50 |
| 38 | 38.00 | 28.00 | 28.00 |
| 40 | 40.00 | 29.50 | 29.50 |
| 42 | 42.00 | 30.00 | 28.00 |
| 44 | 44.00 | 32.00 | 30.00 |
| 46 | 46.00 | 33.50 | 31.50 |
| 48 | 48.00 | 35.00 | 33.00 |
Vuonna 2007 perustettu ja muutti Longyou -talouskehitysvyöhykkeelle, Zhejiangin maakuntaan, vuonna 2022. Se kattaa 130 000 neliömetrin alueen, yli 30 tuotantolinjaa, 300 työntekijää, 20 T & K -ihmistä, 30 tarkastushenkilöä ja vuosituotantoa 50 000 tonnia.
Se on läpäissyt ISO9001: 2008 Laadunhallintajärjestelmä, PED 97/23/EC EU: n painekirjailijoiden sertifiointi, Kiinan erityislaitteiden valmistuslisenssi (paineputki) TS -sertifiointi, ASME -sertifiointi, maakunnan yritysten standardisointijärjestelmä, ISO14000: 2004 ympäristöhallintajärjestelmä, siivootusaine (Green Enterprise) ja sarjan sertifikaattien (Britannian rekisteröinti), ABS: n ja Britannian rekisteröintien), ABS: n ja Britannian rekisteröinnin sarjan (Britannian rekisteröinti), ABS: n ja Britannian rekisteröintien (Britannian rekisteröinti), ABS: n ja Britannian rekisteröintien (CCS: n CCS) sarjan (ABS), ABS: n ja Serjin Birsingin (Abs), ABS: n varmistamisen (ABS: n BUOTUE). (LR), Deutsche Veritas (GL), Bureau Veritas Society (BV), Det Norske Veritas (DNV) ja Korean toimitusrekisterin (KR) tehdassertifikaatti.
Tärkeimmät tuotteet sisältävät ruostumattomasta teräksestä valmistetut putket, putkilaitteet, laipat, venttiilit jne., Joita käytetään laajasti öljy-, kemianteollisuudessa, ydinteollisuudessa, sulattamisessa, laivanrakennuksessa, lääkkeissä, elintarvikkeissa, vedensuojeluissa, sähkövoimassa, uudessa energiassa, mekaanisissa laitteissa ja muissa pelloilla. Yhtiö noudattaa "selviytymisen laatua, kehityksen mainetta" ja palvelee koko asiakkaan luomaan win-win-tilanteen luomaan win-win-tilannetta.





Miedon teräksen massatiheys: perusteet ja käytännön merkitys Pehmeän teräksen massatiheys on perusominaisuus, joka vaikuttaa suoraan siihen, miten insinöörit ja suunnittelijat mitoivat komponent...
Nähdä enemmänJohdatus niukkaseosteiseen teräsmateriaaliin Vähäseosteinen teräsmateriaali on teräslaji, joka sisältää hiilen lisäksi pienen prosenttiosuuden seosaineita, tyypillisesti alle 8 %. Näitä elementt...
Nähdä enemmänYleiskatsaus - mitä "paino kuutiometriä kohti" tarkoittaa ruostumattomalle teräkselle "Paino kuutiotuumaa kohden" on yksinkertaisesti yhden kuutiotuuman materiaalin massa (paunat). Ruostumattoma...
Nähdä enemmänEmme koskaan jaa sähköpostiosoitettasi ja sinä
Voimme poistua milloin tahansa, lupaamme.