





Tee -varusteiden pelkistäminen on välttämätön komponentti putkistojärjestelmissä, ja se tarjoaa saumattoman ratkaisun veden tai nesteiden virtauksen ohjaamiseksi suuremmista putkista pienempiin. Näissä varusteissa on erikokoisia aukkoja, ja keskikeskuksen halkaisija on suurempi kuin kaksi sivupistoketta.
Yksi Tee -varusteiden vähentämisen tärkeimmistä eduista on niiden monipuolisuus. He löytävät sovelluksia eri toimialoilta ja järjestelmiltä, mukaan lukien pumppausjärjestelmät, korkean puhtaan järjestelmät ja toimituslinjat. Riippumatta siitä, ohjaavat vesihuoltoa asuinrakennuksiin tai helpottaa tehokasta viemäröintiä kaupallisissa laitoksissa, teesien vähentämisellä on ratkaiseva rooli.
Pumppausjärjestelmissä Tee -liitosten vähentäminen varmistaa sileät virtausreitit ilman turbulenssia tai vangitsemista. Tämä auttaa ylläpitämään suorituskykyä minimoimalla painehäiriöt ja estämällä häiriöt, jotka voivat vaikuttaa järjestelmän yleiseen tehokkuuteen. Lisäksi nämä varusteet on suunniteltu käsittelemään erityyppisiä nesteitä, kuten jätemateriaaleja, vesihuoltoa, kaasua ja öljyä.
Tee -varusteiden vähentämiseen käytetty rakennusmateriaali vaihtelee erityisvaatimusten mukaan. Yleisiä vaihtoehtoja ovat ruostumaton teräs korroosionkestävyyden ominaisuuksien ja kestävyyden tai PVC: n (polyvinyylikloridin) kohtuuhintaisuuden ja asennuksen helppouden vuoksi.
Asennuksen suhteen ammattilaiset valitsevat huolellisesti sopivat koot putkien mittojen perusteella yhteensopivuuden varmistamiseksi ja toiminnallisuuden maksimoimiseksi. Oikein asennetut pelkistävät paidat tarjoavat luotettavia yhteyksiä, jotka minimoivat vuodot säilyttäen samalla jatkuvan nesteen virtauksen koko järjestelmässä.
Kaiken kaikkiaan TEE -liitosten vähentäminen tarjoaa tehokkaan ratkaisun putkistoverkkojen nesteen virtausten ohjaamiseen. Heidän kykynsä mahtua vaihtelevia putkikokoja tekee niistä välttämättömiä komponentteja monilla toimialoilla, joilla tehokas nesteenhallinta on ensiarvoisen tärkeää.
Esittely
| Tee vähentää | |
| Esine | Ruostumattomasta teräksestä valmistettava tee |
| Standardi | ASTM A312, ANSI B16.9, EN, GB, DIN, GOST, JIS304/304 jne. |
| Materiaali | 304 316 304L 321 2205 2520 904L/räätälöity |
| Pinta | Kuuma upotettu galvanoitu, elektrolyyttinen galvanoitu, luonnollinen viimeistelty, kemiallinen musta, sinkki päällystetty jne. |
| Tyyppi | Väärennetty |
| koko | DN600-700, räätälöity koko |
| Toimitusaika | 5-30 päivän kuluessa ennakkomaksun vastaanottamisesta |
| Pakkaus | Jokainen kappale on kääritty muovikalvolla ja sitten pakattu puulavalla tai puisella kotelolla. |
| Soveltaminen | Matala- ja keskipaine-nesteputket, kattilat, öljy- ja maakaasuteollisuus, poraus, kemianteollisuus, sähköteollisuus, laivanrakennus, lannoitteet ja putkilinjat, rakenne, petrokemiallinen, lääketeollisuus jne. |
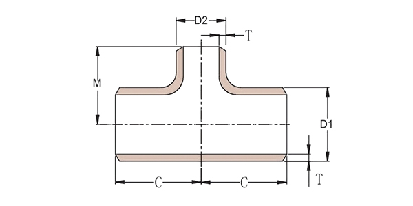
| Nimellishalkaisija | Ulkomaanhalkaisija | Keskiarvo | |||
| DN | NPS | D1 | D2 | C | M |
| 600 × 600 × 450 | 24 × 24 × 18 | 630 | 480 | 432 | 419 |
| 600 × 600 × 400 | 24 × 24 × 16 | 630 | 426 | 432 | 406 |
| 600 × 600 × 350 | 24 × 24 × 14 | 630 | 377 | 432 | 406 |
| 600 × 600 × 300 | 24 × 24 × 12 | 630 | 325 | 432 | 397 |
| 600 × 600 × 250 | 24 × 24 × 10 | 630 | 273 | 432 | 384 |
| 700 × 700 × 600 | 28 × 28 × 24 | 720 | 630 | 521 | 508 |
| 700 × 700 × 500 | 28 × 28 × 20 | 720 | 529 | 521 | 483 |
| 700 × 700 × 450 | 28 × 28 × 18 | 720 | 478 | 521 | 470 |
| 700 × 700 × 400 | 28 × 28 × 16 | 720 | 426 | 521 | 457 |
| 700 × 700 × 350 | 28 × 28 × 14 | 720 | 377 | 521 | 457 |
| 700 × 700 × 300 | 28 × 28 × 12 | 720 | 325 | 521 | 448 |
Kemiallinen koostumus
| Luokka | C ≤ | Si ≤ | Mn ≤ | P ≤ | S ≤ | Ni ≤ | Cr ≤ |
| 201 | 0.12 | 0.75 | 7 | 0.045 | 0.045 | 1,00-1,28 | 13.70-15.70 |
| 202 | 0.15 | 1 | 2.25 | 0.045 | 0.045 | 4.07-4.17 | 14.00-16.00 |
| 304 | 0.08 | 0.75 | 2 | 0.045 | 0.03 | 8.00-11.00 | 18.00-20.00 |
| 304L | 0.035 | 0.75 | 2 | 0.045 | 0.03 | 8.00-13.00 | 18.00-20.00 |
| 309 | 0.15 | 0.75 | 2 | 0.045 | 0.03 | 12.00-15.00 | 22.00-24.00 |
| 310 | 0.08 | 1.5 | 2 | 0.045 | 0.03 | 19.00-22.00 | 24.00-26.00 |
| 316 | 0.08 | 1 | 2 | 0.045 | 0.03 | 10.00-14.00 | 16.00-18.00 |
| 316L | 0.035 | 0.75 | 2 | 0.045 | 0.03 | 10.00-15.00 | 16.00-18.00 |
| 321 | 0,04-0.10 | 0.75 | 2 | 0.045 | 0.03 | 9.00-13.00 | 17.00-20.00 |
| 405 | 0.08 | 0.75 | 1 | 0.045 | 0.03 | 0.06 | 11.5-13.5 |
| 409 | 0.089 | 1 | 1 | 0.045 | 0.05 | 0.06 | 10.50-11.75 |
| 410 | 0.15 | 0.75 | 1 | 0.045 | 0.03 | 0.06 | 11.5-13.5 |
| 420 | 0,16-0,25 | 1 | 1 | 0.04 | 0.03 | 0.06 | 12.00-14.00 |
| 430 | 0.12 | 0.75 | 1 | 0.045 | 0.03 | 0.06 | 16.00-18.00 |
| 904L | 0.02 | 1 | 2 | 0.045 | 0.03 | 23.00-28.00 | 19.00-23.00 |
Vuonna 2007 perustettu ja muutti Longyou -talouskehitysvyöhykkeelle, Zhejiangin maakuntaan, vuonna 2022. Se kattaa 130 000 neliömetrin alueen, yli 30 tuotantolinjaa, 300 työntekijää, 20 T & K -ihmistä, 30 tarkastushenkilöä ja vuosituotantoa 50 000 tonnia.
Se on läpäissyt ISO9001: 2008 Laadunhallintajärjestelmä, PED 97/23/EC EU: n painekirjailijoiden sertifiointi, Kiinan erityislaitteiden valmistuslisenssi (paineputki) TS -sertifiointi, ASME -sertifiointi, maakunnan yritysten standardisointijärjestelmä, ISO14000: 2004 ympäristöhallintajärjestelmä, siivootusaine (Green Enterprise) ja sarjan sertifikaattien (Britannian rekisteröinti), ABS: n ja Britannian rekisteröintien), ABS: n ja Britannian rekisteröinnin sarjan (Britannian rekisteröinti), ABS: n ja Britannian rekisteröintien (Britannian rekisteröinti), ABS: n ja Britannian rekisteröintien (CCS: n CCS) sarjan (ABS), ABS: n ja Serjin Birsingin (Abs), ABS: n varmistamisen (ABS: n BUOTUE). (LR), Deutsche Veritas (GL), Bureau Veritas Society (BV), Det Norske Veritas (DNV) ja Korean toimitusrekisterin (KR) tehdassertifikaatti.
Tärkeimmät tuotteet sisältävät ruostumattomasta teräksestä valmistetut putket, putkilaitteet, laipat, venttiilit jne., Joita käytetään laajasti öljy-, kemianteollisuudessa, ydinteollisuudessa, sulattamisessa, laivanrakennuksessa, lääkkeissä, elintarvikkeissa, vedensuojeluissa, sähkövoimassa, uudessa energiassa, mekaanisissa laitteissa ja muissa pelloilla. Yhtiö noudattaa "selviytymisen laatua, kehityksen mainetta" ja palvelee koko asiakkaan luomaan win-win-tilanteen luomaan win-win-tilannetta.





Miedon teräksen massatiheys: perusteet ja käytännön merkitys Pehmeän teräksen massatiheys on perusominaisuus, joka vaikuttaa suoraan siihen, miten insinöörit ja suunnittelijat mitoivat komponent...
Nähdä enemmänJohdatus niukkaseosteiseen teräsmateriaaliin Vähäseosteinen teräsmateriaali on teräslaji, joka sisältää hiilen lisäksi pienen prosenttiosuuden seosaineita, tyypillisesti alle 8 %. Näitä elementt...
Nähdä enemmänYleiskatsaus - mitä "paino kuutiometriä kohti" tarkoittaa ruostumattomalle teräkselle "Paino kuutiotuumaa kohden" on yksinkertaisesti yhden kuutiotuuman materiaalin massa (paunat). Ruostumattoma...
Nähdä enemmänEmme koskaan jaa sähköpostiosoitettasi ja sinä
Voimme poistua milloin tahansa, lupaamme.