





Sivusuuntaista TEE: tä käytetään putken läpi kulkevien neste- tai kaasunesteiden suunnan muuttamiseen. Sillä on kyky vähentää turbulenssia ja kitkaa, mikä lisää nesteen virtausta.
Tämäntyyppinen tee on erityisen hyödyllinen tilanteissa, joissa virtaus on ohjattava kulmaan ja siirtyy samalla pienempiin putken kokoon. Se löytää sovelluksen teollisuudesta ja järjestelmistä, joissa neste- tai kaasun jakautuminen vaatii putken halkaisijan muutoksia sivuttaisen haarautumisen kanssa. Sivusuuntainen vähentävä tee helpottaa sujuvaa siirtymistä vaihtelevien putkien välillä samalla kun se säätelee tehokkaasti virtaussuunta.
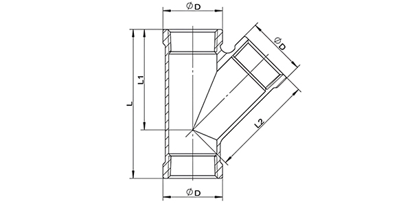
Sivuttainen tee on eräänlainen tee-sovitus, jolla on 45 asteen haara putkilinjasta. Kun asennat sivuttainen tee putkien kanssa, hitsaajien on huomattava virtaava suunta. Koska pääputkeen oksa on 45 astetta ja 135 astetta kulma. Haaran erityisen muodon ja suunnan takia sivuttainen tee on valmistettu kahdesta putkipalasta ja kytketään sitten toisiinsa.
Sivuttaispesiputkien liitososissa on joitain ominaisuuksia, kuten: korkea vesivastus, kestävyys, korroosionkestävyys, helppo asennus jne. Suurissa lämpötiloissa ja paine-olosuhteissa se voi ylläpitää tarkkoja mittoja, korroosionestoa jne.
Esittely
| Sivupöytä | |
| Esine | Ruostumattomasta teräksestä valmistettu kierteitetty sivupöytä |
| Standardi | ASME / ANSI - B 16.9, ASTM A403 - ASME SA403, ASME B16.9, ASME B16.25, ASME B16.28, MSS SP -43 |
| Materiaali | Ruostumaton teräs: 304, F304 (S30408), F316 (S31608), F321 (S32168), 304L (S30403), F316L (S31603), 316L (korkea MO), 00CR17NI14MO2, F51 (S2253), F60, F60 F304H (S30409), F316H (S31609), F321H (S32169), F321H LOW S.P, M-400, F53, 316TI, 317, 317L, 347, 347H (S34779), 310S, F304 LOW S.P, 304L S.P, F316L, 347 matala S.P, F5teel |
| Pinta | CS-galvanoitu tai musta fosfatointi, ruostekestävä OI, SS-poimittu ja hehkutettu, kiillotettu, laukaus räjäytti |
| Tyyppi | Tarkkuusvalu |
| koko | 1/4 "-2", hyväksy räätälöinti |
| Toimitusaika | 5-30 päivän kuluessa ennakkomaksun vastaanottamisesta |
| Pakkaus | Tuotteen pinta on kääritty muovikalvolla tai kuplapaperilla, ja molemmat päät peitetään suojaamiseksi. |
| Soveltaminen | Öljy, kemikaali, koneet, kattila, sähkö, laivanrakennus jne. |
| Koko | DN | Φd | Lens | L1 | L2 |
| 1/4 " | 8 | 18.0 | 55.0 | 32.5 | 33.0 |
| 3/8 " | 10 | 21.5 | 60.0 | 38.0 | 38.5 |
| 1/2 " | 15 | 26.5 | 65.0 | 45.5 | 46.5 |
| 3/4 " | 20 | 32.0 | 80.0 | 54.0 | 55.5 |
| 1 " | 25 | 39.5 | 90.0 | 65.0 | 66.0 |
| 1 1/4 " | 32 | 48.5 | 104.0 | 75.0 | 76.0 |
| 1 1/2 " | 40 | 55.0 | 120.0 | 88.0 | 88.0 |
| 2 " | 50 | 67.0 | 138.0 | 105.0 | 107.0 |
Vuonna 2007 perustettu ja muutti Longyou -talouskehitysvyöhykkeelle, Zhejiangin maakuntaan, vuonna 2022. Se kattaa 130 000 neliömetrin alueen, yli 30 tuotantolinjaa, 300 työntekijää, 20 T & K -ihmistä, 30 tarkastushenkilöä ja vuosituotantoa 50 000 tonnia.
Se on läpäissyt ISO9001: 2008 Laadunhallintajärjestelmä, PED 97/23/EC EU: n painekirjailijoiden sertifiointi, Kiinan erityislaitteiden valmistuslisenssi (paineputki) TS -sertifiointi, ASME -sertifiointi, maakunnan yritysten standardisointijärjestelmä, ISO14000: 2004 ympäristöhallintajärjestelmä, siivootusaine (Green Enterprise) ja sarjan sertifikaattien (Britannian rekisteröinti), ABS: n ja Britannian rekisteröintien), ABS: n ja Britannian rekisteröinnin sarjan (Britannian rekisteröinti), ABS: n ja Britannian rekisteröintien (Britannian rekisteröinti), ABS: n ja Britannian rekisteröintien (CCS: n CCS) sarjan (ABS), ABS: n ja Serjin Birsingin (Abs), ABS: n varmistamisen (ABS: n BUOTUE). (LR), Deutsche Veritas (GL), Bureau Veritas Society (BV), Det Norske Veritas (DNV) ja Korean toimitusrekisterin (KR) tehdassertifikaatti.
Tärkeimmät tuotteet sisältävät ruostumattomasta teräksestä valmistetut putket, putkilaitteet, laipat, venttiilit jne., Joita käytetään laajasti öljy-, kemianteollisuudessa, ydinteollisuudessa, sulattamisessa, laivanrakennuksessa, lääkkeissä, elintarvikkeissa, vedensuojeluissa, sähkövoimassa, uudessa energiassa, mekaanisissa laitteissa ja muissa pelloilla. Yhtiö noudattaa "selviytymisen laatua, kehityksen mainetta" ja palvelee koko asiakkaan luomaan win-win-tilanteen luomaan win-win-tilannetta.





Miedon teräksen massatiheys: perusteet ja käytännön merkitys Pehmeän teräksen massatiheys on perusominaisuus, joka vaikuttaa suoraan siihen, miten insinöörit ja suunnittelijat mitoivat komponent...
Nähdä enemmänJohdatus niukkaseosteiseen teräsmateriaaliin Vähäseosteinen teräsmateriaali on teräslaji, joka sisältää hiilen lisäksi pienen prosenttiosuuden seosaineita, tyypillisesti alle 8 %. Näitä elementt...
Nähdä enemmänYleiskatsaus - mitä "paino kuutiometriä kohti" tarkoittaa ruostumattomalle teräkselle "Paino kuutiotuumaa kohden" on yksinkertaisesti yhden kuutiotuuman materiaalin massa (paunat). Ruostumattoma...
Nähdä enemmänEmme koskaan jaa sähköpostiosoitettasi ja sinä
Voimme poistua milloin tahansa, lupaamme.